Минимальные цены и сроки поставок оборудования

Корзина пуста

Бренды

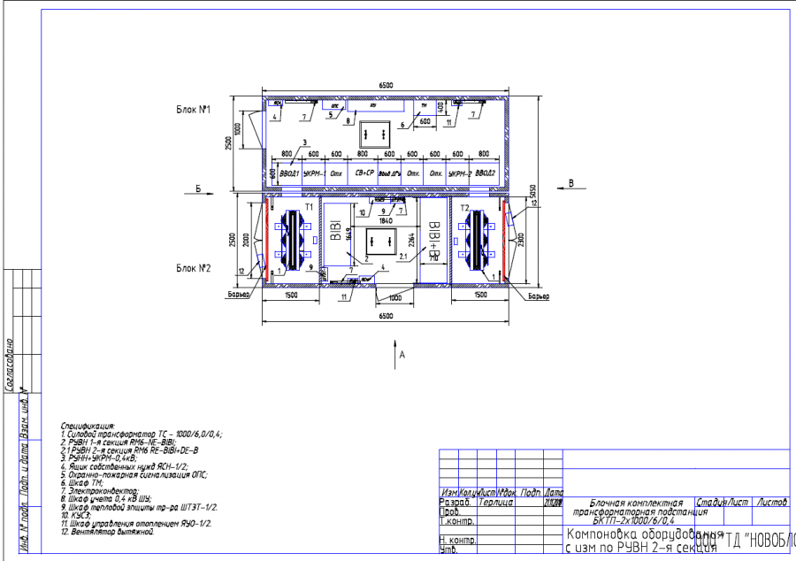
2БКТПх1000 кВА (АП)
14 400 000,00 ₽

2БКТПх1000 кВА (АП)

Артикул: 2БКТПх1000 кВА (АП) Раздел: Сухие и масляные трансформаторы, RM6, БКТП Производитель: Другой

Описание товара

2БКТПх1000 кВА (АП)

Похожие товары